所属分类:电磁多片离合器
产品规格:
发布时间:2222-11-03
访问数量:840
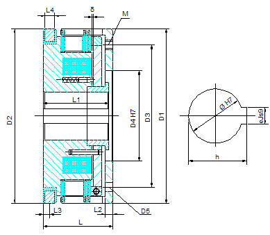
DLM10系列多片电磁离合器是我国80 年代中期引进西德EKE品种,它与DLM2结构基本相同,结构合理,可采用在快速动作下的场合。摩擦片有半湿式(G)和干式(S)两种,均能达到标准要求。
天津捷泰传动机械制造有限公司
地址:天津市静海县大邱庄工业区
手机:13820041181
电话:022-68751805
QQ:1806999618
微信:13820041181
公司简介
企业文化
公司新闻
行业新闻
电磁多片离合器
电磁多片制动器
牙嵌式电磁制动器
牙嵌式电磁离合器
单片式电磁离合器
单片式电磁制动器
电磁组合离合器
电磁离合制动器
电刷
速通门、道闸专用离合器(制动器)
气动离合器
Copyright © 2018-2020天津捷泰传动机械制造有限公司 All Rights Reserved. 津ICP备2022007353号-6