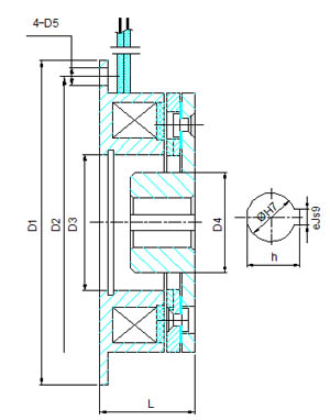
所属分类:单片式电磁制动器
产品规格:
发布时间:2222-11-03
访问数量:836
天津捷泰传动机械制造有限公司位于天津市静海县大型工业园,环境优越、交通十分便捷。我公司从事于当代新型电磁离合器电磁多片离合器与制动器、牙嵌式电磁离合器与制动器、单片式电磁离合器与制动器以及电磁失电离合器与制动器的研究与生产。产品广泛应用于机床、电机医疗、印刷、造纸、包装、纺织、冶金、办公等多个行业。公司本着质量优先,诚信发展的理念。在不断的改进技术和引进经验,为客户提供更好的产品。
天津捷泰传动机械制造有限公司
地址:天津市静海县大邱庄工业区
手机:13820041181
电话:022-68751805
QQ:1806999618
微信:13820041181
公司简介
企业文化
公司新闻
行业新闻
电磁多片离合器
电磁多片制动器
牙嵌式电磁制动器
牙嵌式电磁离合器
单片式电磁离合器
单片式电磁制动器
电磁组合离合器
电磁离合制动器
电刷
速通门、道闸专用离合器(制动器)
气动离合器
Copyright © 2018-2020天津捷泰传动机械制造有限公司 All Rights Reserved. 津ICP备2022007353号-6